工业设计、产品设计和机械设计既相关又不同,它们是由许多人共同完成的,很少有人能同时掌握这些不同的任务。

工业设计:本质上,它是一种外观设计。它主要是对工业产品的外观、特征、材料、颜色、表面处理方法等方面的设计和表达的美感表达。它广泛应用于工业品、手工艺品、日用品等行业。一个真正优秀的工业设计师,除了他的审美创造技能外,还应该了解和熟悉工作原理、功能实现方法、内部结构、产品实现过程、制造方法、模具实现方法等。设计出来的产品。只有这样,设计的外观才能“可靠”,产品才能实现。否则,它只能是一个笑话,只是废纸。

产品设计:一般指产品内部结构的设计,零部件之间的支撑、连接和位置关系的设计,以及整机功能的实现,一般适用于非传动零部件的结构设计。还有一些特殊情况,工业产品设计的一小部分包括外观设计,外观设计与结构设计一起完成。产品设计,还需要掌握非常全面的知识,否则,同样只能是理论性的,或者产品无法实现,或者产品设计笨拙,或者成本高,或者可靠性低等诸多缺陷,总之,一个好的产品和一个差的产品,在专业人士的眼里,差别是巨大的。产品设计的重点是产品外观、细节工艺水平、成本控制等。例如,手机产品的结构并不复杂,但质量水平相当高,对细节的把握也相当到位。

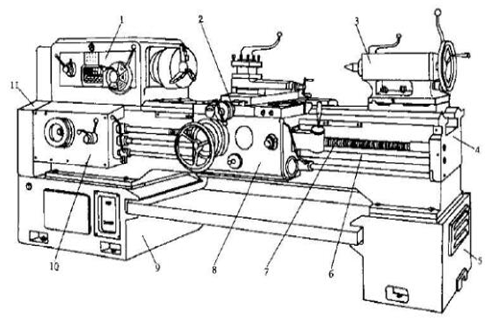
机械设计:一般来说,主要应用于非标准自动化设备、机械设备、机器人等行业。它主要针对运动部件多的产品,具有整机复杂、单价昂贵、技术含量较高等特点,但生产批量一般不太大。这个职位要求在机械原理、机械分析、运动模拟等方面有坚实的基础。还需要了解每个组成部分的相关知识。这是一个门槛相对较高的职位。机械设计产品的重点是功能实现、可靠性、性能参数等。而对工业设计、用户体验、外观质量等的要求。相对较低。例如,机床的设计需要高可靠性和高性能。
上述三种不同的立场可以说是相互关联,但又有很大的差异。例如,工业设计和产品设计,一种商品需要同时设计表面和结构。这时,你不仅要知道曲面设计,还要学习主要曲面和结构设计。因此,学习应该有针对性。